——
products
产品中心
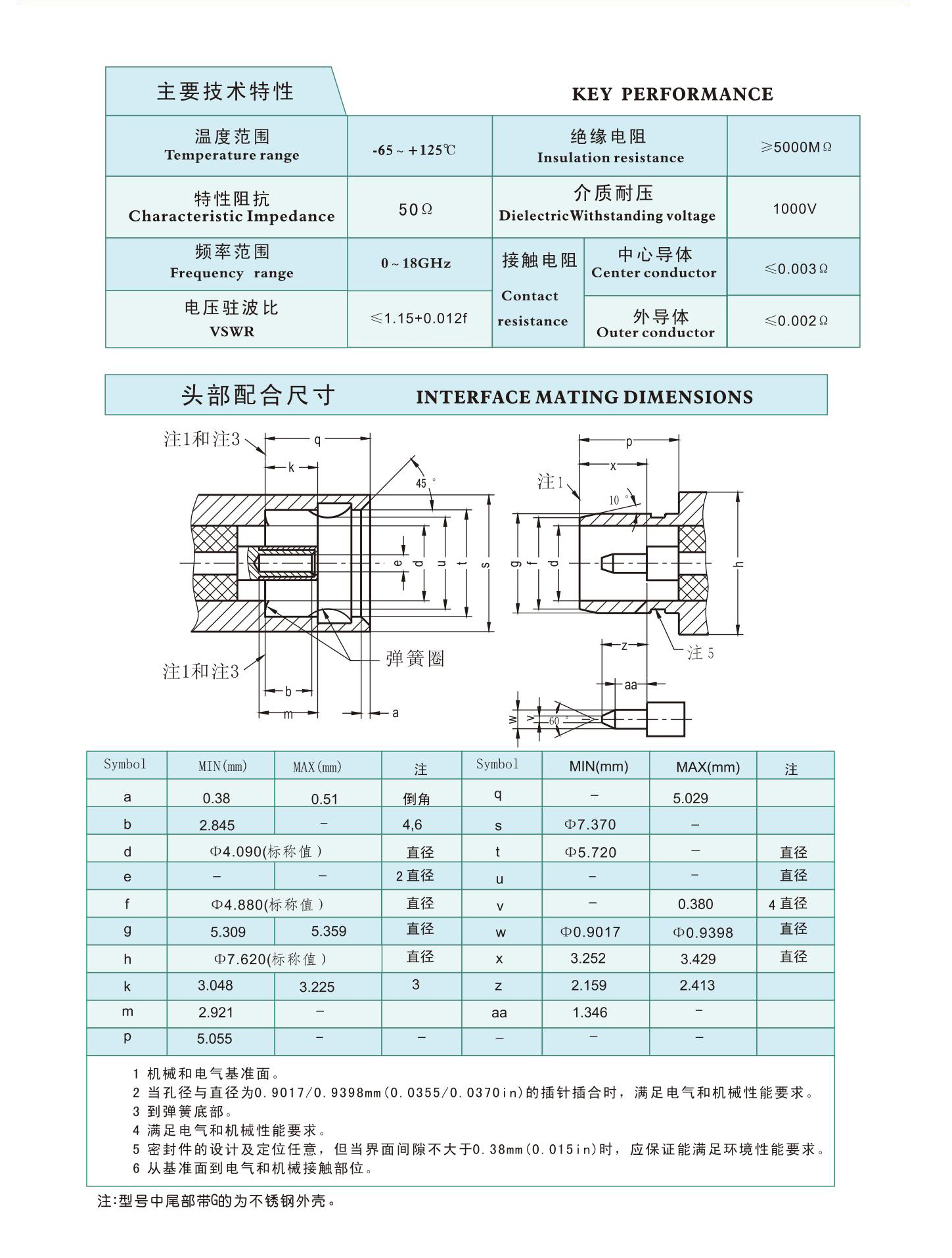
SMB 系列射频同轴连接器
该系列产品是按MIL-C-39012详细规范研制生产的一种小型推入式射频同轴连接器。它具有体积小、重量轻,使用方便,电性能优良等特点,适用于无线电设备和电子仪器的高频回路中连接射频同轴电缆。





服务热线:18925579857 

电话:18925579857 

电子邮件:kevinzeng@ndgglink.com 

地址:厦门市集美区软件园三期F14栋304-3单元 

名片二维码
Copyright © 2025 电隼科技 All rights reserved.
云计算支持 反馈 枢纽云管理