——
products
产品中心
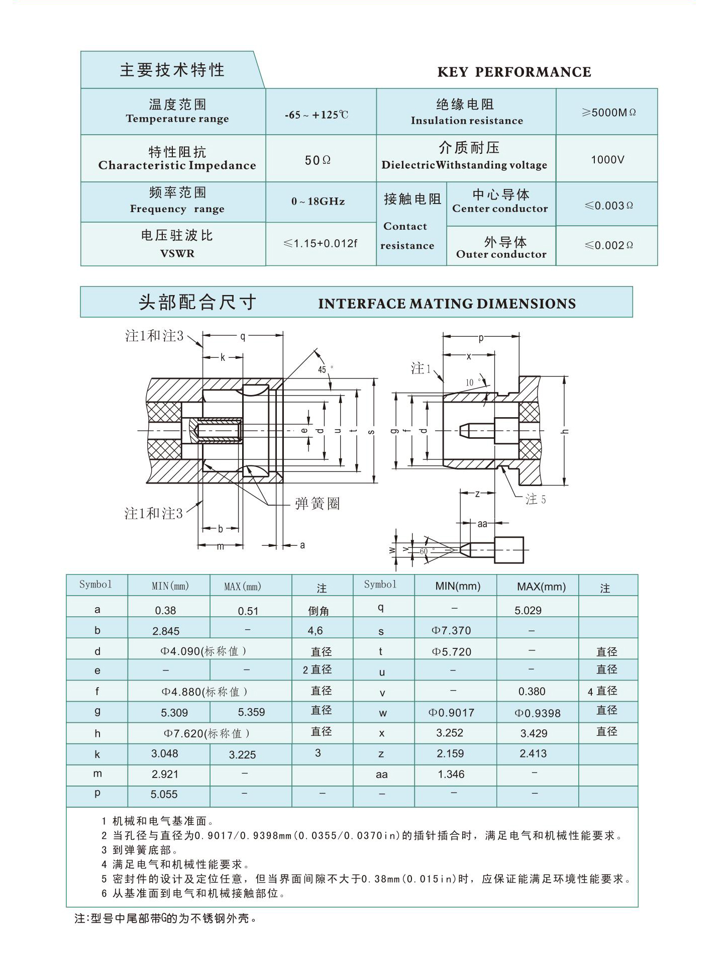
BMA 系列射频同轴连接器
BMA系列产品是国际上这几年才发展起来的一种盲配的新型射频同轴连接器。可用于各种微波电路的连接,,尤其适用于机箱、机柜的盲插合,有利于雷达等整机系统的模块化。BMA系列产品从结构尺寸上讲是SMA系列的推入式变形,接口界面采用空气界面,使用频率达到18GHZ,它的优点是:体积小、接触可靠、机械电气性能优越、对接方便等近几年来,在国内外已得到了越来越广泛的应用。





服务热线:18925579857 

电话:18925579857 

电子邮件:kevinzeng@ndgglink.com 

地址:厦门市集美区软件园三期F14栋304-3单元 

名片二维码
Copyright © 2025 电隼科技 All rights reserved.
云计算支持 反馈 枢纽云管理